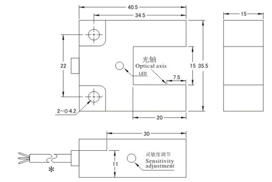
凱基特槽型光電開關其實對射式光電開關的一種,又被叫做U型光電開關,是一款紅外線感應光電產品,由紅外線發射管和紅外線接收管組合而成,而槽寬則就決定了感應接收型號的強弱與接收信號的距離,以光為媒介;

| 產品型號 | KJT-FU15A |
| 反射方式 | 對射式 |
| 檢測距離 | 15mm |
| 輸出方式 | NPN/PNP NO |
| 電源電壓 | 10…30V DC/20-250V AC |
| 工作電流表 | 200mA/400mA/3A |
| 響應時間 | ≤3ms |
| 指向角 | 3°..20° |
| 電壓降 | 1.5V |
| 極性保護 | 有 |
| 短路保護 | 有 |
| 工作環境照度 | 白熾燈≤3000lux,太陽光≤10000lux |
| 環境溫度 | -25-+55℃ |
| 外殼材質 | ABS/PBT |
| 防護等級 | IP65 |





